Задание 1. Построение трёх видов детали по двум заданным с выполнением простого разреза
1.1. Цель
-изучение и практическое применение правил изображения предметов – построение видов и простых разрезов в соответствии с ГОСТ 2.305–2008;
-изучение и практическое применение правил нанесения размеров на чертеже в соответствии с ГОСТ 2.307–2011;
получить навыки построения простых разрезов.
1.2. Содержание
по двум заданным видам построить третий и выполнить простой разрез на месте главного изображения;
нанести необходимые размеры согласно ГОСТ 2.307-2011.
1.3. Порядок выполнения
на формате А3 построить два вида детали Корпус (из задания);
построить вид слева;
определить местоположение секущей плоскости, совпадающей с плоскостью симметрии детали, и построить на месте вида спереди простой разрез;
нанести размеры согласно правилам нанесения размеров (ГОСТ 2.307-2011) (не надо копировать размеры с задания, на них даны размеры только для того, чтобы можно было построить изображения!);
заполнить основную надпись.
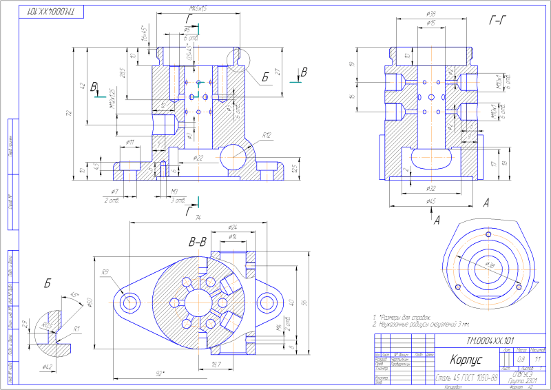
Рассмотрим выполнение данного задания на примере, показанном на рисунке 1.1.
На рисунке 1.2 для большей наглядности представлена трехмерная модель детали задания.

Рисунок 1.1. Пример задания

Рисунок 1.2. Пример задания – трехмерная модель детали
|
1. Изучите конструкцию детали, то есть выявите, из каких простейших геометрических элементов она состоит. Надо абстрагироваться от всех мелких элементов.
Это поможет построить недостающие проекции данных геометрических тел, а в дальнейшем, нанести правильно размеры.
Линии невидимого контура стараются исключить, применяя разрезы или сечения! |
Наружные поверхности:
· основание – призма, которую можно представить совокупностью трех параллелепипедов;
· над основанием – параллелепипед со срезанными углами.
· в основании снизу вырезан параллелепипед;
Внутренние поверхности:
· вырезаны цилиндрические отверстия, в отверстиях в основании, вырезаны фаски – усеченный конус. |
|
2. На месте главного изображения постройте простой разрез, секущая плоскость которого проходит через плоскость симметрии детали. |

|
|
3. В разрез попадет центральное отверстие и одно из отверстий в основании.
Так как секущая плоскость совпадает с плоскостью симметрии, то обозначать такой разрез не нужно! |

|
|
4. Постройте вид слева.
Проекции двух параллелепипедов – прямоугольники, а центральное отверстие спроецируется в окружности. У верхнего параллелепипеда срезаны углы – фаски.
Вид слева дополняет существующие два изображения информацией о срезах углов (фасках) на вернем параллелепипеде и радиусах сопряжения двух параллелепипедов.
Линии невидимого контура изображать не нужно! |

|
|
5. Чтобы не пропала информация о том, что паз в основании сквозной можно или оставить линии невидимого контура на виде сверху, или сделать местный разрез на виде слева.
Других линий невидимого контура быть не должно! |

|
|
6. Нанесите размеры согласно требованиям ГОСТ 2.307-2011.
Необходимо группировать размеры геометрического элемента на том изображении, на котором он наиболее наглядно представлен.
Например, фаски на верхнем параллелепипеде наиболее наглядны на виде слева (ради которых данный вид и строился), значит, размеры на них должны стоять на виде слева.
Так как все радиусы скруглений одинаковы по размеру, их величина записывается в технических требованиях. |

Так как мы не знаем, как используется данная деталь в какой-либо сборке, то можем проставлять размеры, только исходя из технологии изготовления данной детали! |
|
7. Заполните основную надпись согласно ГОСТ 2.304-81.
Окончательный чертеж приведен на рисунке 1.3. |
В обозначении чертежа записываем: ТМ.0101ХХ.001, где ТМ – аббревиатура кафедры; 01 – номер темы; вторая пара 01 – номер задания; ХХ – ваш номер варианта (указать свой!); 001 – номер чертежа по данной теме задания. |
1.4. Пример выполнения

Рисунок 1.3. – Пример выполнения задания № 1 «Построение простого разреза»